Tootfinder

Opt-in global Mastodon full text search. Join the index!

No exact results. Similar results found.
@azonenberg@ioc.exchange
2026-01-04 08:34:12

So, tonight's goal is to continue with ngscopeclient performance work.
I started out by doubling the speed of the eye pattern *again* by moving index buffer calculation from CPU to GPU.
Next up is going to be getting the 100baseTX decoder to not be so slow. Right now of the 43 seconds of CPU time in the current 1-minute benchmark, 26.9 is spent sampling the MLT-3 waveform on rising edges of the recovered clock.
The thing is, we already *know* the sample values at the re…

VTune screenshot of a filter graph where most of the time is spent in Filter
ngscopeclient screenshot of a filter graph for decoding 100baseTX ethernet
ngscopeclient screenshot showing decodes of 100baseTX ethernet
@eichkat3r@hessen.social
2026-01-04 05:15:27

falls ihr es noch nucht wusstet: ihr könnt auf mastodon trööts aus eurer timeline filtern die bestimmte begriffe enthalten sodass die trööts verborgen werden
die filterliste findet ihr in den einstellungen eures mastodon clients oder im web interface
in diesen zeiten sicherlich hilfreich wenn man sich vor zu vielen negativen news zumindest ein wenig abschirmen möchte

@lanefu@social.linux.pizza
2025-12-04 20:08:23

I just needed to complain about datadog. Trying to use one of its canned dashboards for Kafka that doesn't have sufficient filtering to break things down by cluster .... So I cloned it and added some filter at the top, but none of the widgets inherit the filters.
Struggling to see how this was ever useful for anybody

@JSkier@social.linux.pizza
2025-12-04 17:55:58

One of the nice things about Mastodon is being able to filter things out from specific areas.
Things like GoFundMe are allowed in many instances; however, I don't really care to see them, so I filtered them out. The reality is I have enough problems with my family and #veds, and me with #longcovid

@benb@osintua.eu
2026-02-01 17:08:58

Russian assault on Pokrovsk falters as Ukraine says it destroyed four platoons: benborges.xyz/2026/02/01/russi

@timbray@cosocial.ca
2026-02-04 17:20:17

I mean, spam sucks obviously, but occasionally one leaks through the filters that makes me smile.
There’s a URL in the signature which I whimsically followed, the headline there is: “The place where you can build and buy a whole qubit.”
#xml

Screenshot  of spam email:
Hi Tim,

I'd like to find out with whom I would update my payment details with regarding selling XML on my website.

Any help you could provide, I'd greatly appreciate.

Thanks,
Nathaniel
@heiseonline@social.heise.de
2026-02-03 04:08:00

Mobilfunk von Google: KI lauscht mit und verbessert den Ton
Unter dem Namen Fi Wireless bietet Google in den USA Mobilfunk an. Neuerdings laufen Telefonate über Google-Server, wo KI eingreift, um Geräusche zu filtern.

@azonenberg@ioc.exchange
2026-02-05 05:38:42

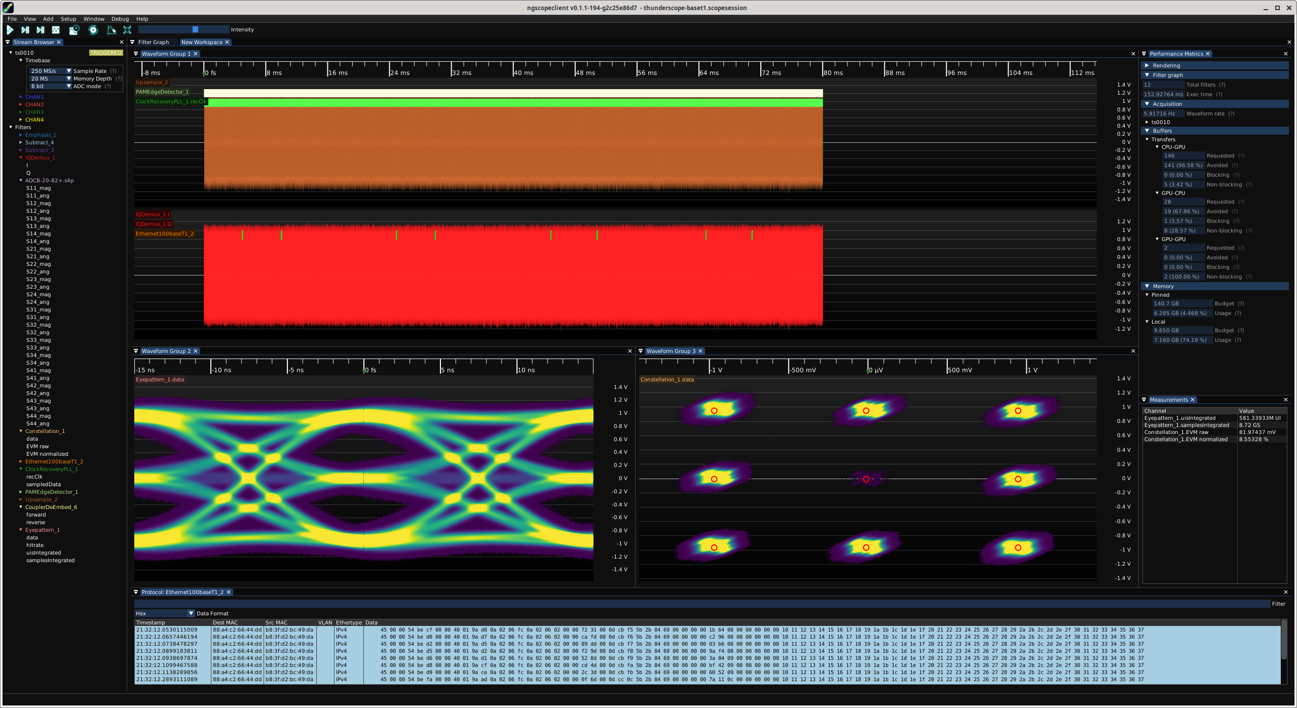
Finally had time to sit down and do a GPU version of the constellation diagram filter.
I'm now running this filter graph (4 channels -> 2 differential legs, S-parameter de-embed of dual directional coupler, 3 dB FIR equalizer, 4x sin(x)/x upsample, PAM-3 edge detection, CDR PLL, PAM-3 eye pattern, demux to 2D-PAM3 channels, 2D-PAM3 constellation, 100baseT1 single pair ethernet protocol decode) at about 6.3 WFM/s on 4 channels * 20M points.
This is 504 Msps or a touch over …

ngscopeclient displaying a PAM-3 eye pattern, ethernet protocol decode, and 2D-PAM3 constellation diagram
@azonenberg@ioc.exchange
2026-01-03 09:49:35

I'm going to have to screen record this, I can't believe I got it working this well.
2x 50M point differential Ethernet waveform into subtract filter, CDR, and eye pattern.
Refreshing at 8.3 Hz. With just a little bit more optimization or faster hardware this will be real time.
Then I can start working on getting protocol decodes to run at full rate too.

ngscopeclient displaying a MLT-3 eye pattern and filter graph
@azonenberg@ioc.exchange
2026-01-05 06:08:03

Last evening of Christmas vacation before getting back to work for the new year.
Aiming to make it a good one. Working on GPU acceleration of the TIE filter and maybe the histogram block so I can do jitter analysis faster.
The peak at T=0 in the jitter histogram is related to use of the GPU CDR block and doesn't show up in the CPU implementation. It's likely caused by transients of some sort at thread block boundaries and I need to spend more time chasing it, I wouldn'…

Filter graph of 100baseTX protocol decoding and jitter analysis
ngscopeclient showing eye patterns, bathtub curves, jitter histograms, and protocol decoding of 100baseTX ethernet